Tento jednoduchý přípravek umožňuje ovládat cívku relátka změnou teploty snímanou teplotním čidlem SMT160-30,relé může spínat topení nebo chladící zařízení.Uvedený přípravek má sloužit k vlastním experimentům a inspiraci.
Popis přípravku
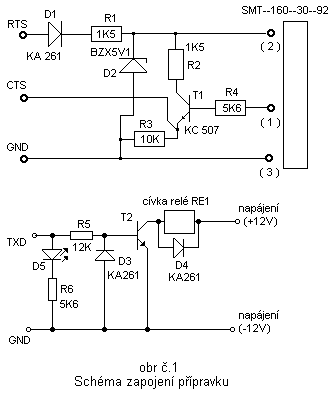
Přípravek se připojuje na sériový port počítače ze kterého je i napájen, napájení přípravku z portu bylo zvoleno z důvodu že se dá místo klasického relé použít relé SSR,v případě použití relé SSR odpadá i napájecí zdroj.Přípravek se skládá ze dvouí částí první část je tvořena převodníkem ke snímání teploty čidlem SMT160-30,druhou část tvoří elektronika pro spínání cívky relátka jehož cívka je na 12V=,sepnutí relé je signalizováno led diodou.První část přípravku je napájena výstupním signálem RTS,tento je stabilizován diodou D2 na napětí 5.1V teplota je snímána na vstupu CST.Vstupní signál je tvarován tranzistorem T1 báze tohoto tranzistoru je ovládána výstupním signálem čidla SMT160-30 přes oddělovací rezistor R4,čidlo SMT uzavřeme do trubičky která chrání čidlo proti vlivům a umožňuje měřit kapaliny,současně musí být z materiálu který dobře předává teplo.Druhou část tvoří ovládání cívky relátka to je ovládáno výstupním signálem TXD tento signál ovládá bázi tranzistoru T2,v kolektoru tohoto tranzistoru je zapojena cívka relé jejíž druhý vývod je zapojen ke kladnému napájecímu napětí 12V=.Zapojení snímací části teploty a ovládání cívky relátka je na obrázku Č.1.
Popis programů
Programy jsou určeny pod operační systém MS-DOS jsou uloženy v adresáři ovládání a mají názvy OVLÁDÁNÍ.EXE,KALIBRUJ.EXE a KALIBR.EXE je zde i program ovládání.txt kde je návod k používání programů,tento se dá zobrazit v jakémkoliv manažéru pomocí klávesy F3.Program OVLADANÍ.EXE umožňuje dvě varianty ovládání ty volíme po spuštění první varianta umožňuje program využít pro ovládání chlazení,druhá varianta umožňuje program využít pro ovládání topení.Ovládací klávesy programu jsou pro zvýraznění uzavřeny do závorek < >,Klávesa Z je brána podle klávesnice IBM.Po spuštění programu se zobrazí volba sériového portu kde je připojen přípravek,volbu volíme stiskem kláves 1 až 4,stiskem klávesy s číslicí 1 volíme port com1,stiskem klávesy s číslicí 2 volíme port com2 atd.Po volbě portu se zobrazí Zvolte při dosažení teploty <Z>apnout <V>ypnout <ESC>Konec.Volbu provedeme stiskem patřičné klávesy Z nebo V pokud chceme program hned ukončit stiskneme klávesu ESC,po volbě zda při dosažené teplotě zapnout nebo vypnout cívku relé a tím zařízení se zobrazí další volba zde zadáváme zapínací a vypínací teploty které zadáváme na jedno desetinné místo a potvrzujeme klávesou ENTER.Po zadání tepelných hodnot se zobrazí navoleno chlazení nebo navoleno topení a nápis ukončení ovládání stiskni klávesu mezerník,dále se zobrazí aktuální teplota a nápis podle toho co je navoleno chlazení zapnuto,chlazení vypnuto nebo topení zapnuto,topení vypnuto.Po stisku klávesy mezerník se ukončí aktuální volba a program se vrátí do menu kde můžeme zadat novou hodnotu,v případě že během chodu programu stiskneme klávesu ESC program provede vypnutí relé pokud bylo zapnuto,smaže obrazovku a ukončí se.
Zadávání tepelných hodnot
1.)Zvolena volba při dosažení teploty Zapnout zobrazí se zadej teplotu zapnutí zde zadáme hodnotu na jedno desetinné místo např.(28.9),po zadání stiskneme klávesu ENTER.Pokud nyní teplota dosáhne zadané hodnoty nebo jí překročí bude sepnuto relé které ovládá zařízení na snížení teploty.Po zadání této hodnoty se zobrazí zadej teplotu vypnutí zde zadáváme hodnotu opět na jedno desetinné místo např.(25.0),po zadání stiskneme klávesu ENTER.Pokud nyní teplota dosáhne zadané hodnoty nebo bude menší bude vypnuto relé které ovládá zařízení na snížení teploty.Tato část programu se dá využít například k ovládání teploty v místnosti kde po překročení teploty bude zapnuto klimatizační zařízení,nebo pouze ventilátor.Pozor hodnota zadaná za teplotu zapnutí je větší než hodnota zadaná za teplotu vypnutí.
2.)Zvolena volba při dosažení teploty Vypnout zobrazí se
zadej teplotu zapnutí zde zadáváme
hodnotu na jedno desetinné místo např.(24.5),po zadání stiskneme klávesu ENTER.Pokud
nyní teplota dosáhne zadané hodnoty nebo
bude menší bude sepnuto relé které ovládá zařízení na zvýšení teploty.Po
zadání této hodnoty se zobrazí zadej
teplotu vypnutí zde zadáváme hodnotu opět na jedno desetinné místo
např.(30.7),po zadání hodnoty stiskneme klávesu ENTER.Pokud nyní teplota dosáhne zadané hodnoty nebo bude
vyšší bude vypnuto relé které ovládá zařízení na zvýšení teploty.Tato část
programu se dá využít například v líhni,při vytápění skleníku.Pozor hodnota zadaná za teplotu zapnutí je menší
než hodnota zadaná za hodnotu teplota
vypnutí.
Program KALIBRUJ.EXE slouží ke kalibraci vyrobeného převodníku s čidlem SMT160 a počítačem se kterým bude provozován podle kalibračního teploměru.Po spuštění programu se zobrazí volba portu tu volíme stejně jako v programu OVLÁDÁNÍ.EXE po volbě portu se zobrazí zadej hodnotu za ‘ bb= ‚sem zadáváme číslo bez desetinných míst pro první zadáni zadáme hodnotu 65000 a stiskneme klávesu ENTER po stisku se již po třech vteřinách pravidelně zobrazuje naměřená hodnota,pokud nesouhlasí teplota stiskneme klávesu MEZERNÍK a zadáme novou hodnotu a stiskneme ENTER.V případě že souhlasí měřená teplota čidlem SMT160 dle kalibračního teploměru poznamenáme si tuto hodnotu na papír a ukončíme program stiskem klávesy ESC.
Kalibraci provádíme tak že do nádoby s tekutinou(voda,olej) ponoříme jak kalibrační teploměr(lékařský,laboratorní) tak i čidlo SMT.Přesnost převodníku je z větší části dána použitým kalibračním teploměrem,pokud je použita jako kapalina voda je dobře nechat tuto odstát mimo dosah tepelného zdroje (kamna,slunce).
Program KALIBR.EXE slouží k vytvoření souboru s názvem IMPULS.MIN ze kterého načítá program OVLÁDÁNÍ.EXE hodnotu,proto musí být tento soubor ‘impuls.min’ umístěn ve stejném adresáři.Po spuštění programu KALIBR.EXE se v levém horním rohu monitoru zobrazí ‘ bb= ‘,sem zadáme číselnou hodnotu kterou jsme získali programem KALIBRUJ.EXE a měli poznamenanou na papíru,po zadání hodnoty stiskneme klávesu ENTER program se ukončí a v adresáři kde máme program OVLÁDÁNÍ.EXE a KALIBR.EXE se vytvoří soubor s názvem IMPULS.MIN.

DIODY: D1,D3,D4...KA261(KA201)
; D2-- BZX 5V1 stabilizační;
LED DIODA:
D1..2V/0.002..0.005A
TRANZISTOR :T1,T2
--KC507(KC506,KC508);
REZISTORY:VŠECHNY REZISTORY NA
1/4W
R1,R2...1K5 ; R3...10K ;
R4...5K6 ; R5....12K ; R6....5K6
RELÉ RE "A" CÍVKA
12VDC KONTAKTY 240V/10A
KONEKTOR S KRYTEM PODLE
POUŽITÉHO PORTU COM.
KABLÍK TŘÍŽILOVÝ DÉLKA PODLE POTŘEBY
MAX.(20M).
POUŽITÁ LITERATURA:
RADIOPLUS KTE 11/2000
MARTIN KVOCH PROGRAMOVÁNÍ V
TURBOPASCALU 7.
VÁGNER VLASTIMIL
FIALA JAROMÍR
___________________________________________________________________________